Mit VWnet

Har du ikke en konto endnu? Få mere ud af VWnettet, opret dig som bruger her og nu - helt gratis...
Shoutbox
21:48 SoLow: enig..
21:55 Den halvblinde: Jep.....
15:55 type1: Savner lidt tiden, hvor alt skete her inde, og ikke på facebook. Smart nok med facebook, men var mere hyggeligt ;0) Daniel
23:46 KTP: Ktp
19:06 jbl: Type 3
17:05 tobje1000: Tobje1000
22:36 John Pedersen Skagen: Jo det kan man sagtens http://vwnettet.dk/topic/219319

Du kan se seneste shout historik her...
Sponsorer
Hovwdiaudi
Kit og buggy service
Get back on track
Classic vw parts

  Bagaskel pakninger? Hvilken række

Tags:
No tags yet.

(permalink) Mbechmann Member
Skrev for 21 years siden | | | |
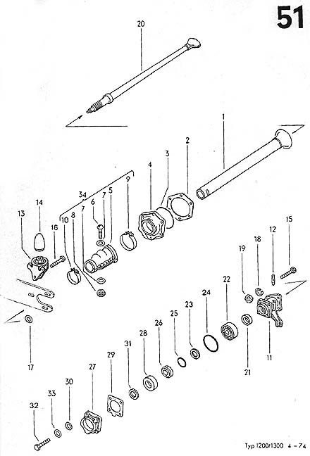
Jeg skal til at samle bremsepladen ved bagakslerne, men jeg har ikke kunne finde et billede på hvilken rækkefølge jeg skal bruge. De links jeg plejer at bruge kræver nu login for at virke.:(

Det jeg har er følgende pakninger mm samt bagpladen.

Er der en der har et billede eller lign med hvordan det skal samles ude ved bagakslen?
-------------------------------------------
Michael
(permalink) AndersHH Member
Skrev for 21 years siden | | | |
Jeg ved ikke om det her kan hjælpe, men det er da et forsøg værd:

http://www.vw-classicparts.de/pcat1200/51.jpg
Eller
http://www.vw-classicparts.de/pcat1200/52.jpg
Hvis du har IRS.

Held og lykke med det
/Anders
-------------------------------------------
Birkerød
1974 VW 1303/1300 ccm
the_lawnmower(bummelum)hotmail.com
(permalink) Anonym Member
Skrev for 21 years siden | | | |
Lige løst fra hukommelsen:

Nr2 på selve kransen hvor lejet sidder, så ankerpladen derefter nr1 imellem låget og ankerpladen.
Nr4 skal sidde i låget, men der skal først være en metal skive som sidder løst. nr3 skal sidde umidelbart efter lejet efterfulgt af Nr5 og en kraftig ring med en affaset kant som skal vende indad.

Mvh. TeddyC
(permalink) Anonym Member
Skrev for 21 years siden | | | |
Lige løst fra hukommelsen:

Nr2 på selve kransen hvor lejet sidder, så ankerpladen derefter nr1 imellem låget og ankerpladen.
Nr4 skal sidde i låget, men der skal først være en metal skive som sidder løst. nr3 skal sidde umidelbart efter lejet efterfulgt af Nr5 og en kraftig ring med en affaset kant som skal vende indad.

Mvh. TeddyC
(permalink) Anonym Member
Skrev for 21 years siden | | | |
Nå ja til sidst sidst skal låget på.

TeddyC
(permalink) Biffo Member
Skrev for 21 years siden | | | |
Har du ikke en haynes manual el. lig. ?
Er du interesseret, ka´ jeg smutte forbi i morgen ved ca. 12.30 tiden. Da er
jeg i Grindsted alligevel. Jeg har et par glimrende manualer, der ka´
L
(permalink) Mbechmann Member
Skrev for 21 years siden | | | |
Jeg har faktisk både en haynes og andre, men der står det ikke i. Jeg kan i hvert fald ikke finde det:)

Så jo, vi kan godt sige kl ca 12:30 imorgen. Det vil være perfekt:)
-------------------------------------------
Michael
(permalink) Frank_Andersen Member
Skrev for 21 years siden | | | |
Du starter med at smide nr.3 væk, den passer ikke.
Først udskifter du pakdåsen i dækslet. Smør den lidt på læben. Husk at rense olieafløbshullet og glem ikke den store blikskive indenfor pakdåsen.
Så sætter du den ORIGINALE nr3 på, efterfulgt af den lille O-ring og bøsningen med den indvendige reifning. Reifningen indad, den passer jo på O-ringen
På med ankerpladen.
På med papirpakning
På med den store oring.
På med dækslet

Den ene papirpakning bliver i overskud.
-------------------------------------------
Jeg beklager, men nogle af billederne er taget med et Canon spejlreflekskamera.

Reply

You must log in to post.